如今USB3.0数据接口正变得越来越流行,现在新推出的电脑基本都有多个借口,有usb2.0和3.0借口。不过不少网友对于usb2.0和3.0不了解,不清楚usb2.0和3.0的区别是什么,usb2.0和3.0怎么分辨。今天小编就教下大家usb2.0和3.0的区别和分辨方法。
1、从USB外观上来看,USB2.0通常是白色或黑色,而USB3.0则改观为“高大上”的蓝色接口。

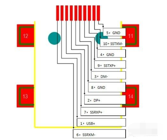
2、从USB插口引脚上来看,USB2.0采用4针脚设计,而USB3.0则采取9针脚设计,相比而言USB3.0功能更强大。

3、从USB公口的外观上来看,USB3.0接口部分标记有“SS”样式,而USB2.0则只标记普通的USB通用标识。

4、目前,部分笔记本电脑USB接口,已同时提供对USB2.0及USB3.0的支持,我们可以通过接口颜色来区别。

5、从传输速率上来看,理论值:USB 3.0的传输速度是4.8Gbps,是USB 2.0的10倍。即4.8Gbps=600MB/S。

6、对于U盘是否支持USB3.0,我们可以通常U盘外观来区分,通常情况下USB3.0U盘将会被识别,如图:

以上便是usb2.0和3.0的区别和分辨方法,希望能帮到大家。
